深圳麻豆天美国产在线观看有限公司

光学麻豆AV在线免费观看

红外麻豆AV在线免费观看-17.6-30 OM+HB(5050)类别:红外麻豆AV在线免费观看5050系列

简介: 本产品采用高精度非球面光学设计、进口模具钢材、采用日本三菱原装进口光学亚克力(PMMA)原料,保证足够的注塑成型时间、降低产品缩水率,所有产品均通过SGS认证及ROHS环保。

产品介绍

此系列角度:30度,45度、60度和90度

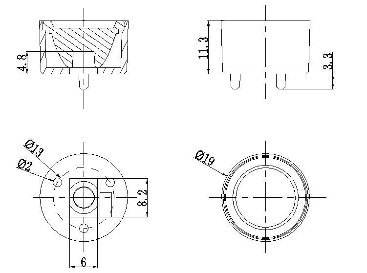
角度:30度          

搭配:12MM镜头

直径:17.6MM         

高度:10MM

带支架直径:19MM    

带支架高度:11.3MM

麻豆AV在线免费观看材料:光学级PMMA
支架材料:PC料
耐温:-40-+100度

适用红外LED:5050红外LED 


特点:

1. 产品描述:表面为凹面,边缘两边有刻8MM字样,刻毫米数使得产品更清晰地辨认,搭配时候也不容易弄混,

底部的三颗柱子用来定位LED和麻豆AV在线免费观看的搭配,并且有效解决5050 LED卡位的问题;

2. 特别针对小功率红外5050 LED而设计,对LED所发出的光利用率可以达到90%以上(3MM透光率为93%);

3. 配合红外监控镜头4MM、6MM、8MM几种规格而专业设计,做到红外光斑与监控屏幕可视范围有效统一,

无暗角,全平面磨砂系列;

4. 全部设计为光洁面,体积小巧,节省内部空间,和75、60、小灯板搭配更佳;
5. 相同规格的尺寸角度分别有: 45度、60度和90度可供选择;

6. 本产品采用高精度非球面光学设计、进口模具钢材、采用日本三菱原装进口光学亚克力(PMMA)原料,

保证足够的注塑成型时间、降低产品缩水率,所有产品均通过SGS认证及ROHS环保。


应用:
广泛应用于红外阵列摄像机、红外球机等红外监控产品。

相关产品

网站地图